
Sistema de monitoreo en línea de la calidad del agua tipo boya
Modelo:FT-SFA06
Marca:fengtu
1、Sistema de monitoreo en línea de la calidad del agua tipo boya Descripción general del funcionamiento
Sistema de monitoreo en línea de la calidad del agua tipo boya puede medir parámetros hidrológicos y de calidad del agua en un lago o cuenca en tiempo real.
1.El SFA Sistema de monitoreo en línea de la calidad del agua tipo boya es un sistema de recolección de datos no tripulado que integra la recolección, el almacenamiento, la transmisión y la gestión de datos.Sirve como sistema automático de monitoreo e informes hidrológicos para la producción industrial y agrícola, el turismo, el monitoreo ambiental urbano, la prevención de desastres geológicos, el control de inundaciones, la programación del suministro de agua y la gestión hídrica en centrales eléctricas y embalses.Su potente software permite el monitoreo remoto de información hídrica y pluviométrica en tiempo real, incluyendo funciones de base de datos, generación de informes y descarga.Los usuarios también pueden utilizar un completo software meteorológico para el procesamiento y análisis posterior de los datos registrados.
2.La boya SFA06 consta de seis componentes: sensores de calidad del agua (temperatura, conductividad, pH, oxígeno disuelto, nitrógeno amoniaco y turbidez), un instrumento de adquisición de datos, un sistema de comunicación, un sistema de suministro de energía, un soporte integrado y una plataforma de monitoreo de la calidad del agua.También puede ampliarse para incluir múltiples parámetros de calidad del agua, como DQO, clorofila y sólidos en suspensión.El instrumento de adquisición de datos cuenta con recopilación de datos, un reloj en tiempo real, almacenamiento de datos cronometrados, configuración de parámetros y comunicación estándar 2G/4G (GPRS).
2、Sistema de monitoreo en línea de la calidad del agua tipo boya Características del producto
1.Fácil implementación: Todos los tipos de sensores están altamente integrados para una instalación sencilla.Se ofrecen servicios gratuitos de plataforma en la nube para una rápida implementación del sistema.
2.Fácil mantenimiento: Tras la instalación, el dispositivo funciona de forma autónoma, sin necesidad de supervisión humana.También se puede utilizar la monitorización remota para garantizar un funcionamiento normal.
3.Fácil expansión: Todas las sondas de los sensores utilizan un protocolo de comunicación unificado, lo que permite una rápida integración con los equipos existentes y la ampliación de los parámetros de monitorización.
4.Bajo consumo de energía: El dispositivo funciona durante largos periodos con un bajo consumo de energía, lo que aumenta la comodidad del usuario.
5.Rendimiento en tiempo real: Los datos de monitorización se transmiten a la plataforma en la nube en tiempo real, lo que mejora la puntualidad de la retroalimentación de los datos ambientales.
3、Sistema de monitoreo en línea de la calidad del agua tipo boya Parámetros técnicos
1.Parámetros principales
| Nombre del producto | Descripción |
| Sistema de monitoreo en línea de la calidad del agua tipo boya |
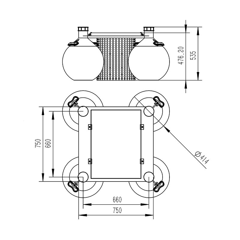
Puede realizar el monitoreo en línea en tiempo real de múltiples parámetros. Monitoreo de la energía de la batería. Pueden realizarse monitoreo de datos en la plataforma en la nube, push de datos, Almacenamiento de datos y función de alarma; función de transmisión inalámbrica de datos. Consumo pico de 5 W; sensor de unos 0.25 W por cada uno. Tamaños aparentes: 750mm*750mm*535mm. Diámetro del flotador 414mm Peso: 22kg |
| Data collection de los collectors | Fiable, anti-interferencia, puede integrar múltiples dispositivos de estación de servicio RS485/MODBUS-RTU |
| Salida de datos del registrador | Salida del protocolo RS485/JSON del1er. |
| Batería | Batería de litio 12VDC, 20AH (por defecto) |
| Paneles solares | 22.1V/50W (predeterminado) |
| Capacidad de suministro | Modelo a medida; Trabajo intermitente 5 días o más en lluvias y niebla |
| Indicación de posición (opcional) | Luces de alerta; GPS localización; |
| Plataforma de monitoreo | Plataforma en la nube; inicio de sesión multiterminal desde teléfono móvil o computadora |
| Cubriente | Filtro de 304 acero inoxidable con protector de malla |
| Flotante | Diámetro 414mm, flotador esférico*4 plástico ingeniería |
2.Parámetros principales de los sensores opcionales
| Model | Nombre | Rango de medición | Principio | Precisión de medición | Resolución | ¿Es equipo estándar? | Nota |
| S5 | Nitrógeno amoniacal | 0~1000mg/l | Método de electrodos selectivos de iones | 10% del lectura, ±0.5℃ | 0.01mg | √ | Nitrógeno amoniacal pH integrado; con compensación de temperatura |
| pH | 0~14 (ph) | Electroquímica (puente de sales) | ±0.1pH;±0.1℃ | 0.01 | √ | ||
| S7 | conductividad eléctrica | 0~10000uS/cm | Método de contacto del electrodo | ±1.5%; ±0.1°C | 1uS/cm | √ | Con suplemento cálido |
| S8 | Oxígeno disuelto | 0~20mg/L | Método de tiempo de fluorescencia | ±2%, ±0.3℃ | 0.01mg/L | √ | Con suplemento cálido |
| S9 | Opacidad | 0~1000NTU | Método de luz esparcida | ±1%, ±0.3℃ | 0.1NTU | √ | Con suplemento cálido |
4、Sistema de monitoreo en línea de la calidad del agua tipo boya Dimensiones del producto
5、Sistema de monitoreo en línea de la calidad del agua tipo boya Requisitos de instalación del equipo
1.Mantener alejado de transmisores de radio de alta potencia
2.Mantener alejado de líneas eléctricas de alta tensión y canales de transmisión de microondas
3.Mantenerse lo más cerca posible de redes de transmisión de datos
4.Mantener alejado de interferencias electromagnéticas fuertes
6、Sistema de monitoreo en línea de la calidad del agua tipo boya Introducción a la plataforma en la nube
1.Plataforma de software basada en CS que permite la observación directa a través de teléfonos móviles y navegadores de PC.No requiere instalación de software adicional.
2.Admite múltiples cuentas y múltiples dispositivos para iniciar sesión.
3.Admite visualización de datos en tiempo real y paneles de datos históricos.
4.Servidor y almacenamiento de datos en la nube: estables, fiables, fácilmente escalables y con equilibrio de carga.
5.Admite alertas SMS y configuración de umbrales.
6.Admite visualización de mapas y visualización de información del dispositivo.
7.Admite análisis de curvas de datos.
8.Admite exportación de datos en formato de tabla.
9.Admite reenvío de datos, incluyendo el protocolo HJ-212, el reenvío TCP y el protocolo HTTP.
10.Admite posprocesamiento de datos.
11.Admite la ejecución de scripts JavaScript externos.
tiempo:2026-04-05
Dirección del artículo:https://www.sqqx.net/es/Buoy-Water-Monitoring/Buoy-type-water-quality-online-monitoring-system.html

+86 15898932201
Obtenga una cotización gratis



