
Boya de monitoreo de la calidad del agua
Modelo:FT-SFA
Marca:fengtu
1、Boya de monitoreo de la calidad del agua Descripción general del funcionamiento
Boya de monitoreo de la calidad del agua se utiliza principalmente para medir automáticamente los parámetros de calidad del agua en zonas estuarinas, aguas cercanas a salidas de aguas residuales o áreas de acuicultura.
1.El Boya de monitoreo de la calidad del agua SFA es un sistema de recolección de datos no tripulado que integra la recolección, el almacenamiento, la transmisión y la gestión de datos.Sirve como sistema automático de monitoreo hidrológico y generación de informes para la producción industrial y agrícola, el turismo, el monitoreo ambiental urbano, la prevención de desastres geológicos, el control de inundaciones, la programación del suministro de agua y la gestión hídrica en centrales eléctricas y embalses.Su potente software permite el monitoreo remoto de información hídrica y pluviométrica en tiempo real, con capacidades de base de datos, generación de informes y descarga.Los usuarios también pueden utilizar el completo software meteorológico para el procesamiento y análisis posterior de los datos registrados.
2.El sistema de monitoreo de la calidad del agua consta de seis componentes: sensores de calidad del agua, un instrumento de adquisición de datos, un sistema de comunicación, un sistema de suministro de energía, un sistema de soporte integrado y una plataforma de monitoreo de la calidad del agua.Puede monitorear simultáneamente múltiples parámetros de calidad del agua, como la temperatura, el pH, el oxígeno disuelto, la conductividad, el nitrógeno amoniaco, la turbidez y la DQO.El instrumento de adquisición de datos cuenta con recopilación de datos, un reloj en tiempo real, almacenamiento de datos cronometrados, configuración de parámetros y comunicación estándar 2G/4G (GPRS).
2、Boya de monitoreo de la calidad del agua Características del producto
1.Fácil implementación: Todos los tipos de sensores están altamente integrados para una instalación sencilla.Se ofrecen servicios gratuitos de plataforma en la nube para una rápida implementación del sistema.
2.Fácil mantenimiento: Tras la instalación, el dispositivo funciona de forma autónoma, sin necesidad de supervisión humana.También se puede utilizar la monitorización remota para garantizar un funcionamiento normal.
3.Fácil expansión: Todas las sondas de los sensores utilizan un protocolo de comunicación unificado, lo que permite una rápida integración con los equipos existentes y la ampliación de los parámetros de monitorización.
4.Bajo consumo de energía: El dispositivo funciona durante largos periodos con un bajo consumo de energía, lo que aumenta la comodidad del usuario.
5.Rendimiento en tiempo real: Los datos de monitorización se transmiten a la plataforma en la nube en tiempo real, lo que mejora la puntualidad de la retroalimentación de los datos ambientales.
3、Boya de monitoreo de la calidad del agua Parámetros técnicos
1.Parámetros principales
| Nombre del producto | Descripción |
| Boya de monitoreo de la calidad del agua |
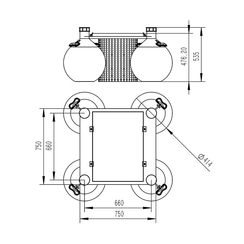
Monitoreo en línea de múltiples parámetros de manera simultánea. Monitoreo de la energía de la batería. Pueden realizarse monitoreo de datos en la plataforma de nubes, push de datos, almacenamiento de datos y la función de alarmas; la función de transmisión inalámbrica de datos. El consumo pico es de 5 W; el sensor consume alrededor de 0.25 W por cada uno. Tamaños aparentes: 750mm*750mm*535mm. Diámetro del flotador 414mm Peso: 22kg |
| Data collection de los collectores | Fiable, anti-interferencia, puede integrar múltiples dispositivos esclavos RS485/MODBUS-RTU |
| Salida de datos del registrador | Salida del protocolo RS485/JSON del1º |
| Batería | Batería de litio 12VDC, 20AH (por defecto) |
| Paneles solares | 22.1V/50W (predeterminado) |
| Capacidad de suministro | Modelo a medida; Trabajo intermitente 5 días o más en lluvias y niebla |
| Indicación de posición (opcional) | Luces de alerta; Localización GPS; |
| Plataforma de monitoreo | Plataforma en la nube; inicio de sesión multiterminal desde teléfono móvil o computadora |
| Cubriente | Filtro de 304 acero inoxidable con protector de 304 acero inoxidable |
| Flotante | Diámetro 414mm, flotador esférico*4 plástico ingenierístico |
2.Parámetros principales de los sensores opcionales
| Model | Nombre | Rango de medición | Principio | Precisión de medición | Resolución | ¿Es equipo estándar? | Nota |
| S1S | cód | 0~1000mg/L | Método de absorción UV254 | ±5 %, ±0,3℃ | 0.1mg/L | Cód. turbidez integrada; cepillo auto-limpieza, con compensación de temperatura | |
| Turbidez | 0~400NTU | Método de luz esparcida | ±1%, ±0.3℃ | 0.1NTU | |||
| S2 | Dureza del agua | 0~1000.0mg/L | Método de contacto del electrodo | Lectura ±10%; ±0.3℃ | 0.1mg/L | ||
| S3 | pH | 0~14 (ph) | Electroquímica (puente de sales) | ±0.1pH;±0.1℃ | 0.01 | Con suplemento cálido | |
| pH | 0~14 (ph) | Electroquímica (puente de sales) | ±0.1pH;±0.1℃ | 0.01 | |||
| S5 | Nitrógeno amoniacal | 0~1000mg/l | Método de electrodos selectivos de iones | 10% del lectura, ±0.5℃ | 0.01mg | Nitrógeno amoniacal pH integrado; con compensación de temperatura | |
| pH | 0~14 (ph) | Electroquímica (puente de sales) | ±0.1pH;±0.1℃ | 0.01 | |||
| S6 | ORP | -1500mv~1500mv | Electroquímica (puente de sales) | ±6mv | 1mV | ||
| S7 | conductividad eléctrica | 0~10000uS/cm | Método de contacto del electrodo | ±1.5%; ±0.1°C | 1uS/cm | Con suplemento cálido | |
| S7H | Alta conductividad de rango | 0~30000μS/cm | Método de contacto del electrodo | ±1.5%; ±0.1°C | 1uS/cm | Alta conductividad rango TDS sensor de salinidad; con compensación de temperatura | |
| TDS | 0-10000ppm | Método de contacto del electrodo | ±1.5%; ±0.1°C | 1ppm | |||
| Salinidad | 0-10000ppm | Método de contacto del electrodo | ±1.5%; ±0.1°C | 1ppm | |||
| S8 | Oxígeno disuelto | 0~20mg/L | Método de tiempo de fluorescencia | ±2%, ±0.3℃ | 0.01mg/L | Con suplemento cálido | |
| S9 | Turbidez | 0~1000NTU | Método de luz esparcida | ±1%, ±0.3℃ | 0.1NTU | Con suplemento cálido | |
| S10 | Partículas suspendidas | 0~2000mg/L | Método de luz esparcida | ±5% (dependiendo de la homogeneidad de la sludge) | 0.1mg/L | ||
| S11S | Concentración de sludge | 0~20.000g/L | Método de luz esparcida | ±5% (dependiendo de la homogeneidad de la sludge) | 0.001g/L | Pulido auto-limpieza | |
| S15S | Clorofila | 0~400ug/L | Método de fluorescencia | R²>0.999 | 0.01ug/L | Auto-limpieza con cepillo; con compensación de temperatura | |
| S16S | Cianobacterias | 0~200.0Kcells/mL | Método de fluorescencia | R²>0.999 | 0.1Kcells/mL | Pulido auto-limpieza | |
| S17S | Petróleo en agua | 0~60ppm | Método de fluorescencia | 0.1ppm | 0.01ppm | Pulido auto-limpieza | |
| S20 | Transparencia | 50~1000mm | Método de luz esparcida | ±5% (dependiendo de la homogeneidad de la sludge) | 1mm | Con suplemento cálido | |
| S21 | Temperatura del agua | -20℃~85℃ | Sensor digital de alta precisión | ±0.1℃ | 0.1℃ |
Podemos personalizar una solución de prueba según sus necesidades específicas y las especificaciones técnicas deseadas.
Nota: El sensor no debe instalarse boca abajo ni horizontalmente; debe instalarse en un ángulo mínimo de 15 grados.
El entorno operativo de los sensores de calidad del agua mencionados anteriormente es de 0 a 50 °C y <0,3 MPa.
4、Boya de monitoreo de la calidad del agua Dimensiones del producto
5、Boya de monitoreo de la calidad del agua Requisitos de instalación del equipo
1.Mantener alejado de transmisores de radio de alta potencia
2.Mantener alejado de líneas eléctricas de alta tensión y canales de transmisión de microondas
3.Mantenerse lo más cerca posible de redes de transmisión de datos
4.Mantener alejado de interferencias electromagnéticas fuertes
tiempo:2026-04-05
Dirección del artículo:https://www.sqqx.net/es/Buoy-Water-Monitoring/Water-Quality-Monitoring-Buoy.html

+86 15898932201
Obtenga una cotización gratis



