
Monitor de campo eléctrico
Modelo:FT-DC1
Marca:fengtu
1、Monitor de campo eléctrico Descripción del entorno de aplicación
Monitor de campo eléctrico es un dispositivo de monitoreo y alerta de rayos de alta precisión que monitorea los cambios del campo eléctrico atmosférico en tiempo real, capturando con precisión los rastros de la actividad de rayos y brindando un sólido apoyo para la prevención de desastres por rayos.
En el campo de la monitorización meteorológica, Monitor de campo eléctrico se utiliza ampliamente en estaciones meteorológicas para monitorear de forma continua e ininterrumpida la actividad de rayos en una región, proporcionando datos cruciales para pronósticos meteorológicos y alertas de desastres meteorológicos.Mediante el análisis de los cambios en el campo eléctrico atmosférico, los departamentos meteorológicos pueden predecir con antelación la probabilidad, la intensidad y las tendencias de desarrollo de las condiciones meteorológicas de rayos y emitir señales de alerta de rayos de manera oportuna, lo que proporciona una referencia importante para la operación segura de la industria pública, la aviación, el transporte marítimo y otras industrias.
Monitor de campo eléctrico puede servir como una herramienta clave de monitoreo para la protección contra rayos en diversas ubicaciones propensas a descargas de rayos, como empresas petroquímicas, estaciones base de comunicaciones, centrales eléctricas y edificios de gran altura.La instalación de Monitor de campo eléctrico cerca de estas ubicaciones permite monitorear los cambios dinámicos en el campo eléctrico atmosférico circundante en tiempo real.Cuando la intensidad del campo eléctrico atmosférico monitoreado supera un umbral preestablecido, se activa una alarma que indica a los trabajadores que tomen las medidas de protección adecuadas, como suspender el trabajo al aire libre y apagar los equipos críticos.Esto reduce eficazmente los daños al personal y a los equipos causados por los rayos.
Monitor de campo eléctrico también tiene un valor de aplicación significativo en sectores como la agricultura y la silvicultura.En la producción agrícola, el conocimiento previo de la información meteorológica sobre rayos ayuda a planificar racionalmente las actividades agrícolas, evitar pérdidas de cultivos causadas por rayos y garantizar la seguridad de los trabajadores agrícolas.En silvicultura, Monitor de campo eléctrico puede utilizarse para monitorear la actividad de rayos, prevenir incendios forestales causados por rayos y proteger los recursos forestales.
2、Monitor de campo eléctrico Rendimiento técnico y especificaciones
1.Parámetros técnicos
| Rango | -100kv/m——100kv/m |
| Precisión | ±0.001%F.S |
| Tiempo de respuesta | 3s |
| Material de la caja | 6061 aleación de aluminio |
| Voltaje de alimentación | 12VDC (0.5W@12V) |
| Modo de comunicación | Modbus-485 |
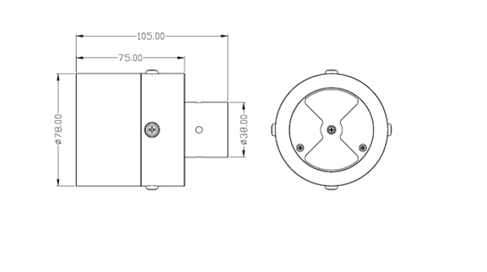
2.Monitor de campo eléctrico Dibujo dimensional

3、Monitor de campo eléctrico Instalación y conexiones eléctricas
1.Instalación
1.1: Este producto es un instrumento de precisión y debe protegerse de caídas e impactos.
1.2: El dispositivo debe mantenerse alejado de altas temperaturas y protegido del agua y el hielo.
1.3: Tras desembalarlo, almacene el dispositivo en un lugar seco y bien ventilado, libre de gases corrosivos.Manipule el dispositivo con cuidado y evite vibraciones excesivas.El polvo, la humedad y las fluctuaciones extremas de temperatura pueden afectar la vida útil del producto, por lo que debe evitarse su uso en estos lugares.
El dispositivo debe estar correctamente conectado a tierra durante su uso.
2.Instalación eléctrica
El cable es un cable blindado de 4 hilos.Orden de los cables:
1 - Rojo - Alimentación (12-24 VCC)
2 - Azul - Tierra (GND)
3 - Verde - 485B
4 - Amarillo - 485A
tiempo:2026-04-05
Dirección del artículo:https://www.sqqx.net/es/Lightning-monitor/electric-field-monitor.html

+86 15898932201
Obtenga una cotización gratis



