
Sensor de ruido
Modelo:FT-B4
Marca:fengtu
1、Sensor de ruido Introducción del producto
Sensor de ruido es un nuevo dispositivo de medición de ruido para aplicaciones industriales,El sensor es compacto y está equipado con un micrófono de medición de precisión.Shandong Fengtu Compañía de tecnología IoT, Ltd.Como empresa especializada en la investigación, el desarrollo y la producción de sensores meteorológicos, nos comprometemos a promover y aplicar sensores meteorológicos y soluciones ambientales meteorológicas.Con una cadena de producción completa, un sólido equipo técnico y un equipo de marketing integral, nuestros sensores se utilizan ampliamente en agricultura inteligente, monitoreo meteorológico, monitoreo ambiental urbano, generación de energía eólica, embarcaciones, aeropuertos, puentes y túneles, entre otros campos.Atendemos a clientes en todo el país y hemos logrado beneficios sociales y económicos positivos.
2、Sensor de ruido Características del producto
1.Fuerte capacidad antiinterferencias, con circuito de vigilancia y función de reinicio automático para garantizar un funcionamiento estable del sistema.
2.Altamente integrado, sin piezas móviles y sin desgaste.
3.Sin mantenimiento, no requiere calibración in situ.
4.Fabricado con plástico de ingeniería ASA, ofrece una larga vida útil en exteriores y conserva su color.
5.El producto está diseñado con una interfaz de comunicación RS485 (protocolo MODBUS) como estándar para las señales de salida; las interfaces 232, USB y Ethernet son opcionales y permiten la lectura de datos en tiempo real.
6.Módulo de transmisión inalámbrica opcional con un intervalo mínimo de transmisión de 1 minuto.
3、Sensor de ruido Parámetros técnicos
1.Temperatura del aire: -40-60 °C (±0,3 °C); (Certificado de calibración de la Oficina Meteorológica de Pekín)
2.Humedad del aire: 0-100 % HR (±3 % HR); (Certificado de calibración de la Oficina Meteorológica de Pekín)
3.Presión atmosférica: 300-1100 hPa (±0,25 %); (Certificado de calibración de la Oficina Meteorológica de Pekín)
4.Ruido: 30-120 dB (±1,5 dB)
5.Potencia: 0,12 W
6.El fabricante debe contar con un certificado de registro de software☆
7.El fabricante debe ser una empresa con certificación AAA☆
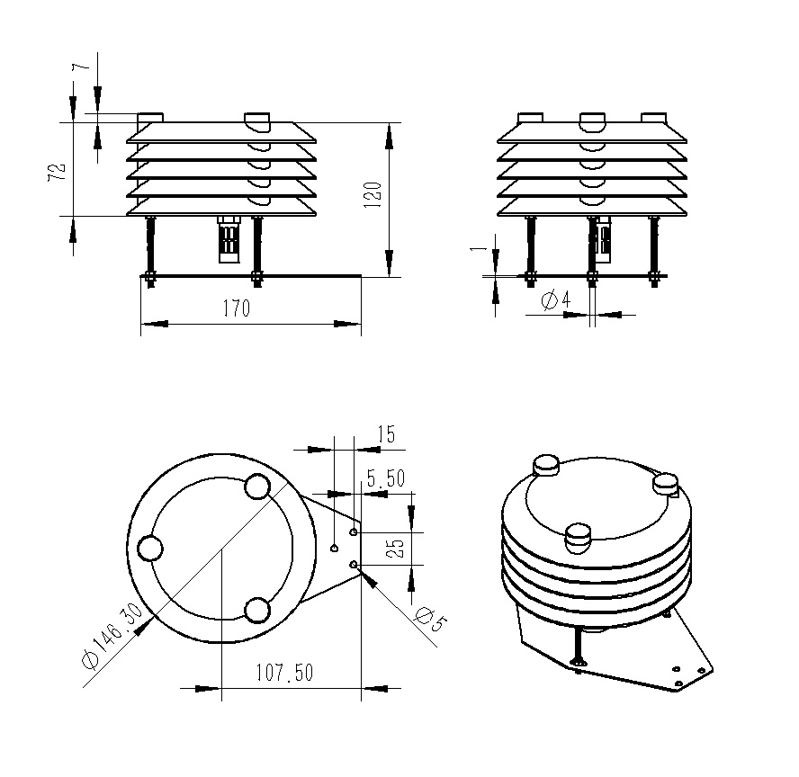
4、Sensor de ruido Dimensiones del producto

5、Sensor de ruido Diagrama de estructura del producto

tiempo:2026-04-05
Dirección del artículo:https://www.sqqx.net/es/Shutter-box-sensor/Noise-Sensor.html

+86 15898932201
Obtenga una cotización gratis



