
Sensor de temperatura, humedad y CE del suelo
Modelo:WSY485
Marca:fengtu
1、Sensor de temperatura, humedad y CE del suelo Especificaciones técnicas
Sensor de temperatura, humedad y CE del suelo se utiliza para medir la humedad y la temperatura del suelo, así como la constante dieléctrica,Esta última está directamente relacionada con el contenido de sal en la humedad del suelo.
1.Alimentación: 12 V CC
2.Consumo de energía: Menos de 0,1 W
3.Temperatura de funcionamiento: -30 °C a 70 °C
4.Interfaz de comunicación: RS485
5.Corriente de funcionamiento: 8 mA, 12 V CC
6.Intervalo mínimo de datos: 60 s
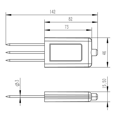
2、Sensor de temperatura, humedad y CE del suelo Dimensiones del producto
3、Sensor de temperatura, humedad y CE del suelo Precauciones de uso
1.La instalación del sensor debe seguir estrictamente las instrucciones de instalación y funcionamiento.
2.Cuando varios sensores funcionen simultáneamente, deben estar separados al menos 5 metros.
3.Debido a las limitaciones del principio de medición del sensor, se deben evitar los cables electromagnéticos y la radiación magnética intensa en un radio de 5 metros alrededor de la ubicación de medición para evitar errores significativos y daños en el sensor.
4.El entorno de instalación del sensor debe ser compatible con su rango de medición.Evite sobrepasar el rango y otras irregularidades.
5.Se debe evitar la instalación del sensor en entornos con ácidos, bases, aceites pesados y metales pesados.
6.Este sensor es un sensor de medición de suelos; no debe utilizarse de ninguna otra manera.
7.El entorno de instalación del sensor debe estar libre de vibraciones fuertes.
8.El sensor no debe someterse a fuerzas externas excesivas.
9.Se prohíbe el desmontaje.El desmontaje no autorizado provocará la pérdida de servicio.
10.La sonda del sensor es afilada; utilice equipo de protección al utilizarla.
11.El uso y el mantenimiento del equipo deben seguir estrictamente las precauciones anteriores.No asumimos ninguna responsabilidad por cualquier incumplimiento.
4、Sensor de temperatura, humedad y CE del suelo Parámetros del sensor
Parámetros | Rango de medición | Precisión | Resolución | Unidad |
Temperatura del suelo | -30~70℃ | ±0.3(-10~50℃) | 0.01 | ℃ |
Contenido de humedad del suelo | 0~100% | ±3% (arcilla) Alta contenido de organismo (Contenido de carbono orgánico en el suelo >12%) Alta contenido de arcilla (Contenido de arcilla >45%) posiblemente necesite una calibración específica para ciertos tipos de suelo, debido a su relámpago dielectrico | 0.01% | --- |
conductividad eléctrica del suelo | 0~20000 | ±3% (15℃, 0~10000us/cm) ±5% (full range) | 1 | us/cm |
Contenido salino del suelo | 0~12800 | ±3% | 1 | mg/L |
tiempo:2025-10-03
Dirección del artículo:https://www.sqqx.net/es/Soil-monitoring/Soil-Temperature-Moisture-and-EC-Sensor.html